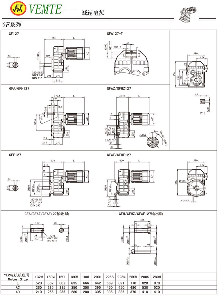
這是F09減速機,F(xiàn)A09減速器,F(xiàn)F09齒輪箱以及FAF09平行軸齒輪減速機的具體的型號以及對應的安裝尺寸。而F09系列減速機對應的大眾的型號為F127減速機。
| F09DM132M | FA09DM225M | FF09DM132M |
| F09DM132L | FA09DM280S | FF09DM132L |
| F09DM160M | FA09DM280M | FF09DM160M |
| F09DM160L | FF09DM225S | FF09DM160L |
| F09DM180M | FF09DM225M | FA09DM132M |
| F09DM180L | FF09DM280S | FA09DM132L |
| F09DM200L | FF09DM280M | FA09DM160M |
| F09DM225S | FAF09DM225S | FA09DM160L |
| F09DM225M | F系列減速機 | FAF09DM132M |
| F09DM280S | FAF09DM280S | FAF09DM132L |
| F09DM280M | FAF09DM280M | FAF09DM160M |
| FA09DM180M | FF09DM180M | FAF09DM160L |
| FA09DM180L | FF09DM180L | FAF09DM180M |
| FA09DM200L | FF09DM200L | FAF09DM180L |
| FA09DM225S | FAF09DM200L | FAF09DM225M |
下一篇:F10系列齒輪減速機型號上一篇:F08系列齒輪減速機型號
此文關鍵字:F09系列平行軸減速機型號
















